fixpistols.ru
FIXPISTOLS - формирует партнерскую сеть
Каталог
По всему сайту
По каталогу
Каталог
ПОРОХОВАЯ ТЕХНОЛОГИЯ
Монтажные пистолеты
Монтажные патроны
F-К монтажные патроны 6,8х11 мм в кассете
F-D монтажные патроны 6,8/18мм россыпью
F-C монтажные патроны 5,6х16мм россыпью
F-DK монтажные патроны 6,3х10 мм в диске
Гвозди для пороховых пистолетов
F-DN гвозди универсальные
F-DNC гвозди в кассете
F-DNP гвозди усиленные
F-DNW гвозди с шайбой
F-EDN гвозди по металлу
F-ENP гвозди для профнастила
F-M8 гвоздь-шпильки
F-NK гвозди с шайбой
F-PC дюбель-гвозди
Комплекты патроны+гвозди
ГАЗОВАЯ ТЕХНОЛОГИЯ
Газовые пистолеты
Газовые баллоны
Гвозди для газовых пистолетов
F-CN BULLETS MG
F-CNS усиленные EG
Крепежные и сопутствующие материалы
Демпферные втулки
Держатели кабеля
F-CM скобы однолапковые оцинкованные
F-CPE крепежные клипсы для монтажных пистолетов
F-CTE Площадка под стяжку для прямого монтажа
F-SW Шайба для монтажного пистолета
Монтажная лента
Средства для ухода
Комплекты гвозди+клипсы+баллон
Пристрелочные наборы
ОРИГИНАЛЬНАЯ ПРОДУКЦИЯ HILTI
Пороховые пистолеты HILTI
Аккумуляторные пистолеты HILTI
Газовые пистолеты HILTI
Гвозди для пороховых пистолетов HILTI
Монтажные патроны HILTI
Гвозди для аккумуляторных пистолетов HILTI
ПНЕВМАТИЧЕСКАЯ ТЕХНОЛОГИЯ
Пневмоинструменты
Гвоздезабивные инструменты 34 градус
Гвоздезабивные инструменты 21 градус
Гвоздезабивные инструменты для отделочных работ DA
Кровельные барабанные гвоздезабивные инструменты
Барабанные строительные пистолеты
Барабанные паллетные пистолеты
Инструменты для микрошпильки 23GA (0,6мм)
Штифтозабивные пистолеты
Скобозабивные пистолеты
Специальные инструменты
Крепеж
Гвозди реечные 34°
Гвозди отделочные DA, 34°
Штифт, Микрошпилька
Гвозди реечные в пластиковой кассете 21°
Гвозди барабанного типа
Скобы
Компрессоры
Аксессуары
МОНТАЖ УТЕПЛИТЕЛЯ
Монтажные пистолеты
Тарельчатые дюбели
F-IS тарельчатые дюбели без гвоздя
F-INS тарельчатые дюбели 20-100мм, по бетону и кирпичу
F-IN ECO тарельчатые дюбели 50-200мм, по бетону и кирпичу
F-IN TS тарельчатые дюбели 20-40мм, по бетону и кирпичу
F-IN TS тарельчатые дюбели 50-200мм, по бетону и кирпичу
F-INP TS тарельчатые дюбели для пороховых пистолетов
F-ING TS тарельчатые дюбели по газобетону
Заглушки
ЛЕНТОЧНЫЕ ШУРУПОВЕРТЫ
Шуруповерты
Саморезы в ленте
F-SMP саморезы черные, ГКЛ/профиль
F-SWP саморезы черные, ГКЛ/дерево
F-SWY саморезы желтый цинк, ГКЛ/дерево
F-SFP саморезы черные, ГВЛ/профиль
F-STY саморезы желтый цинк, дерев.конструкции
F-SXP саморезы черные, ГСП/профиль
АБРАЗИВЫ И АЛМАЗНЫЕ ДИСКИ
Алмазные диски
Абразивные круги
EGESAN Лепестковый торцевой круг
EGESAN ОТРЕЗНОЙ КРУГ ПО МЕТАЛЛУ (STEEL)
EGESAN ОТРЕЗНОЙ КРУГ ПО НЕРЖ.СТАЛИ (INOX)
EGESAN шлифовальный отрезной круг
Шлифовальная бумага
EGELI бумага шлифовальная
ЗАПЧАСТИ
Запчасти для газовых монтажных пистолетов
Запчасти для FGT 130IE
Запчасти для FGT-95
Запчасти для FGT 100IE
Запчасти для пороховых монтажных пистолетов
Запчасти для Walte PT-710
Запчасти для Walte PT-251
Запчасти для Walte PT-370
Номенклатура
Система FIXPISTOLS
Оптовым клиентам
Акции
Доставка и оплата
Доставка и оплата
Отзывы
FAQ
Сервис
Статьи
Гарантия
Сервис
Контакты
+7 (495) 120-50-90
Заказать звонок
Задать вопрос
Войти
  • Корзина0
  • Избранные товары0
order@fixpistols.ru
  • Вконтакте
  • Telegram
  • YouTube
  • Viber
  • Viber
  • WhatsApp
Сверху над шапкой Сверху над шапкой
+7 (495) 120-50-90
order@fixpistols.ru
  • Viber
  • WhatsApp
Войти
Избранные товары 0
Корзина 0
fixpistols.ru
FIXPISTOLS - формирует партнерскую сеть
Каталог
  • ПОРОХОВАЯ ТЕХНОЛОГИЯ
    ПОРОХОВАЯ ТЕХНОЛОГИЯ
  • ГАЗОВАЯ ТЕХНОЛОГИЯ
    ГАЗОВАЯ ТЕХНОЛОГИЯ
  • ОРИГИНАЛЬНАЯ ПРОДУКЦИЯ HILTI
    ОРИГИНАЛЬНАЯ ПРОДУКЦИЯ HILTI
  • ПНЕВМАТИЧЕСКАЯ ТЕХНОЛОГИЯ
    ПНЕВМАТИЧЕСКАЯ ТЕХНОЛОГИЯ
  • МОНТАЖ УТЕПЛИТЕЛЯ
    МОНТАЖ УТЕПЛИТЕЛЯ
  • ЛЕНТОЧНЫЕ ШУРУПОВЕРТЫ
    ЛЕНТОЧНЫЕ ШУРУПОВЕРТЫ
  • АБРАЗИВЫ И АЛМАЗНЫЕ ДИСКИ
    АБРАЗИВЫ И АЛМАЗНЫЕ ДИСКИ
  • ЗАПЧАСТИ
    ЗАПЧАСТИ
Система FIXPISTOLS
Оптовым клиентам
Акции
Доставка и оплата
  • Доставка и оплата
  • Отзывы
  • FAQ
  • Сервис
  • Статьи
  • Гарантия
Сервис
Контакты
+  ЕЩЕ
    fixpistols.ru
    Каталог
    • ПОРОХОВАЯ ТЕХНОЛОГИЯ
      ПОРОХОВАЯ ТЕХНОЛОГИЯ
    • ГАЗОВАЯ ТЕХНОЛОГИЯ
      ГАЗОВАЯ ТЕХНОЛОГИЯ
    • ОРИГИНАЛЬНАЯ ПРОДУКЦИЯ HILTI
      ОРИГИНАЛЬНАЯ ПРОДУКЦИЯ HILTI
    • ПНЕВМАТИЧЕСКАЯ ТЕХНОЛОГИЯ
      ПНЕВМАТИЧЕСКАЯ ТЕХНОЛОГИЯ
    • МОНТАЖ УТЕПЛИТЕЛЯ
      МОНТАЖ УТЕПЛИТЕЛЯ
    • ЛЕНТОЧНЫЕ ШУРУПОВЕРТЫ
      ЛЕНТОЧНЫЕ ШУРУПОВЕРТЫ
    • АБРАЗИВЫ И АЛМАЗНЫЕ ДИСКИ
      АБРАЗИВЫ И АЛМАЗНЫЕ ДИСКИ
    • ЗАПЧАСТИ
      ЗАПЧАСТИ
    Система FIXPISTOLS
    Оптовым клиентам
    Акции
    Доставка и оплата
    • Доставка и оплата
    • Отзывы
    • FAQ
    • Сервис
    • Статьи
    • Гарантия
    Сервис
    Контакты
    +  ЕЩЕ
      Избранные товары 0 Корзина 0
      fixpistols.ru
      Избранные товары 0 Корзина 0
      Телефоны
      +7 (495) 120-50-90
      • Каталог
        • Назад
        • Каталог
        • ПОРОХОВАЯ ТЕХНОЛОГИЯ
          • Назад
          • ПОРОХОВАЯ ТЕХНОЛОГИЯ
          • Монтажные пистолеты
          • Монтажные патроны
            • Назад
            • Монтажные патроны
            • F-К монтажные патроны 6,8х11 мм в кассете
            • F-D монтажные патроны 6,8/18мм россыпью
            • F-C монтажные патроны 5,6х16мм россыпью
            • F-DK монтажные патроны 6,3х10 мм в диске
          • Гвозди для пороховых пистолетов
            • Назад
            • Гвозди для пороховых пистолетов
            • F-DN гвозди универсальные
            • F-DNC гвозди в кассете
            • F-DNP гвозди усиленные
            • F-DNW гвозди с шайбой
            • F-EDN гвозди по металлу
            • F-ENP гвозди для профнастила
            • F-M8 гвоздь-шпильки
            • F-NK гвозди с шайбой
            • F-PC дюбель-гвозди
          • Комплекты патроны+гвозди
        • ГАЗОВАЯ ТЕХНОЛОГИЯ
          • Назад
          • ГАЗОВАЯ ТЕХНОЛОГИЯ
          • Газовые пистолеты
          • Газовые баллоны
          • Гвозди для газовых пистолетов
            • Назад
            • Гвозди для газовых пистолетов
            • F-CN BULLETS MG
            • F-CNS усиленные EG
          • Крепежные и сопутствующие материалы
            • Назад
            • Крепежные и сопутствующие материалы
            • Демпферные втулки
            • Держатели кабеля
            • F-CM скобы однолапковые оцинкованные
            • F-CPE крепежные клипсы для монтажных пистолетов
            • F-CTE Площадка под стяжку для прямого монтажа
            • F-SW Шайба для монтажного пистолета
            • Монтажная лента
            • Средства для ухода
          • Комплекты гвозди+клипсы+баллон
          • Пристрелочные наборы
        • ОРИГИНАЛЬНАЯ ПРОДУКЦИЯ HILTI
          • Назад
          • ОРИГИНАЛЬНАЯ ПРОДУКЦИЯ HILTI
          • Пороховые пистолеты HILTI
          • Аккумуляторные пистолеты HILTI
          • Газовые пистолеты HILTI
          • Гвозди для пороховых пистолетов HILTI
          • Монтажные патроны HILTI
          • Гвозди для аккумуляторных пистолетов HILTI
        • ПНЕВМАТИЧЕСКАЯ ТЕХНОЛОГИЯ
          • Назад
          • ПНЕВМАТИЧЕСКАЯ ТЕХНОЛОГИЯ
          • Пневмоинструменты
            • Назад
            • Пневмоинструменты
            • Гвоздезабивные инструменты 34 градус
            • Гвоздезабивные инструменты 21 градус
            • Гвоздезабивные инструменты для отделочных работ DA
            • Кровельные барабанные гвоздезабивные инструменты
            • Барабанные строительные пистолеты
            • Барабанные паллетные пистолеты
            • Инструменты для микрошпильки 23GA (0,6мм)
            • Штифтозабивные пистолеты
            • Скобозабивные пистолеты
            • Специальные инструменты
          • Крепеж
            • Назад
            • Крепеж
            • Гвозди реечные 34°
            • Гвозди отделочные DA, 34°
            • Штифт, Микрошпилька
            • Гвозди реечные в пластиковой кассете 21°
            • Гвозди барабанного типа
            • Скобы
          • Компрессоры
          • Аксессуары
        • МОНТАЖ УТЕПЛИТЕЛЯ
          • Назад
          • МОНТАЖ УТЕПЛИТЕЛЯ
          • Монтажные пистолеты
          • Тарельчатые дюбели
            • Назад
            • Тарельчатые дюбели
            • F-IS тарельчатые дюбели без гвоздя
            • F-INS тарельчатые дюбели 20-100мм, по бетону и кирпичу
            • F-IN ECO тарельчатые дюбели 50-200мм, по бетону и кирпичу
            • F-IN TS тарельчатые дюбели 20-40мм, по бетону и кирпичу
            • F-IN TS тарельчатые дюбели 50-200мм, по бетону и кирпичу
            • F-INP TS тарельчатые дюбели для пороховых пистолетов
            • F-ING TS тарельчатые дюбели по газобетону
          • Заглушки
        • ЛЕНТОЧНЫЕ ШУРУПОВЕРТЫ
          • Назад
          • ЛЕНТОЧНЫЕ ШУРУПОВЕРТЫ
          • Шуруповерты
          • Саморезы в ленте
            • Назад
            • Саморезы в ленте
            • F-SMP саморезы черные, ГКЛ/профиль
            • F-SWP саморезы черные, ГКЛ/дерево
            • F-SWY саморезы желтый цинк, ГКЛ/дерево
            • F-SFP саморезы черные, ГВЛ/профиль
            • F-STY саморезы желтый цинк, дерев.конструкции
            • F-SXP саморезы черные, ГСП/профиль
        • АБРАЗИВЫ И АЛМАЗНЫЕ ДИСКИ
          • Назад
          • АБРАЗИВЫ И АЛМАЗНЫЕ ДИСКИ
          • Алмазные диски
          • Абразивные круги
            • Назад
            • Абразивные круги
            • EGESAN Лепестковый торцевой круг
            • EGESAN ОТРЕЗНОЙ КРУГ ПО МЕТАЛЛУ (STEEL)
            • EGESAN ОТРЕЗНОЙ КРУГ ПО НЕРЖ.СТАЛИ (INOX)
            • EGESAN шлифовальный отрезной круг
          • Шлифовальная бумага
            • Назад
            • Шлифовальная бумага
            • EGELI бумага шлифовальная
        • ЗАПЧАСТИ
          • Назад
          • ЗАПЧАСТИ
          • Запчасти для газовых монтажных пистолетов
            • Назад
            • Запчасти для газовых монтажных пистолетов
            • Запчасти для FGT 130IE
            • Запчасти для FGT-95
            • Запчасти для FGT 100IE
          • Запчасти для пороховых монтажных пистолетов
            • Назад
            • Запчасти для пороховых монтажных пистолетов
            • Запчасти для Walte PT-710
            • Запчасти для Walte PT-251
            • Запчасти для Walte PT-370
          • Номенклатура
      • Система FIXPISTOLS
      • Оптовым клиентам
      • Акции
      • Доставка и оплата
        • Назад
        • Доставка и оплата
        • Доставка и оплата
        • Отзывы
        • FAQ
        • Сервис
        • Статьи
        • Гарантия
      • Сервис
      • Контакты
      • Личный кабинет
      • Корзина0
      • Избранные товары0
      • +7 (495) 120-50-90
      Контактная информация
      order@fixpistols.ru
      • Вконтакте
      • Telegram
      • YouTube
      • Viber
      • Viber
      • WhatsApp

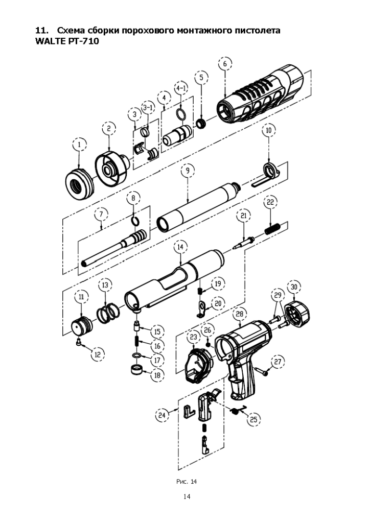
      Запчасти для Walte PT-710

      32
      Главная
      —
      Каталог
      —
      ЗАПЧАСТИ
      ПОРОХОВАЯ ТЕХНОЛОГИЯГАЗОВАЯ ТЕХНОЛОГИЯОРИГИНАЛЬНАЯ ПРОДУКЦИЯ HILTIПНЕВМАТИЧЕСКАЯ ТЕХНОЛОГИЯМОНТАЖ УТЕПЛИТЕЛЯЛЕНТОЧНЫЕ ШУРУПОВЕРТЫАБРАЗИВЫ И АЛМАЗНЫЕ ДИСКИ
      —
      Запчасти для пороховых монтажных пистолетов
      Запчасти для газовых монтажных пистолетовНоменклатура
      —
      Запчасти для Walte PT-710
      Запчасти для Walte PT-251Запчасти для Walte PT-370
      Фильтр
      По умолчанию (возрастание)
      По популярности (убывание)
      По популярности (возрастание)
      По алфавиту (убывание)
      По алфавиту (возрастание)
      По цене (убывание)
      По цене (возрастание)
      Фильтр
      Сортировка
      По популярности (возрастание)
      • По популярности (убывание)
      • По популярности (возрастание)
      • По алфавиту (убывание)
      • По алфавиту (возрастание)
      • По цене (убывание)
      • По цене (возрастание)
      Цена
      Розница
      69.12
      2 689.12
      5 309.12
      7 929.12
      10 549.60
      Выбрано 0 Показать
      Выбрано 0 Показать
      В корзину
      PT710-P29 Винт рукоятки (301015)
      Быстрый просмотр
      PT710-P29 Винт рукоятки (301015)
      Арт.: 1-1-5-3559
      69.12 ₽/шт
      В корзинуВ корзине
      PT710-P28 Рукоятка (700110)
      Быстрый просмотр
      PT710-P28 Рукоятка (700110)
      Арт.: 1-1-5-3542
      4 492.80 ₽/шт
      В корзинуВ корзине
      PT710-P26 Шпилька курка (700113)
      Быстрый просмотр
      PT710-P26 Шпилька курка (700113)
      Арт.: 1-1-5-3535
      691.20 ₽/шт
      В корзинуВ корзине
      PT710-P14 Ствол (700210)
      Быстрый просмотр
      PT710-P14 Ствол (700210)
      Арт.: 1-1-5-3528
      10 549.60 ₽/шт
      В корзинуВ корзине
      PT710-P3-1 Скоба Фиксатор дюбеля (710814)
      Быстрый просмотр
      PT710-P3-1 Скоба Фиксатор дюбеля (710814)
      Арт.: 1-1-5-3511
      207.36 ₽/шт
      В корзинуВ корзине
      PT710-P23 Кожух рукоятки (700201)
      Быстрый просмотр
      PT710-P23 Кожух рукоятки (700201)
      Арт.: 1-1-5-0299
      622.08 ₽/шт
      В корзинуВ корзине
      PT710-P4 Направляющая втулка (710320)
      Быстрый просмотр
      PT710-P4 Направляющая втулка (710320)
      Арт.: 1-1-5-0091
      3 456 ₽/шт
      В корзинуВ корзине
      PT710-P30 Крышка рукоятки (700001)
      Быстрый просмотр
      PT710-P30 Крышка рукоятки (700001)
      Арт.: 1-1-5-0336
      544 ₽/шт
      В корзинуВ корзине
      PT710-P27 Винт (700115)
      Быстрый просмотр
      PT710-P27 Винт (700115)
      Арт.: 1-1-5-0329
      276.48 ₽/шт
      В корзинуВ корзине
      PT710-P25 Пружина курка (700125)
      Быстрый просмотр
      PT710-P25 Пружина курка (700125)
      Арт.: 1-1-5-0312
      207.36 ₽/шт
      В корзинуВ корзине
      PT710-P24 Курок (700120)
      Быстрый просмотр
      PT710-P24 Курок (700120)
      Арт.: 1-1-5-0305
      7 326.40 ₽/шт
      В корзинуВ корзине
      PT710-P22 Пружина бойка (700205)
      Быстрый просмотр
      PT710-P22 Пружина бойка (700205)
      Арт.: 1-1-5-0275
      345.60 ₽/шт
      В корзинуВ корзине
      PT710-P21 Боек (250605)
      Быстрый просмотр
      PT710-P21 Боек (250605)
      Арт.: 1-1-5-0268
      1 036.80 ₽/шт
      В корзинуВ корзине
      PT710-P20 Шпилька (700204)
      Быстрый просмотр
      PT710-P20 Шпилька (700204)
      Арт.: 1-1-5-0251
      483.84 ₽/шт
      В корзинуВ корзине
      PT710-P19 Пружина казенника (236222)
      Быстрый просмотр
      PT710-P19 Пружина казенника (236222)
      Арт.: 1-1-5-0244
      207.36 ₽/шт
      В корзинуВ корзине
      PT710-P18 Заглушка (700010)
      Быстрый просмотр
      PT710-P18 Заглушка (700010)
      Арт.: 1-1-5-0237
      760.32 ₽/шт
      В корзинуВ корзине
      PT710-P17 Уплотнительное кольцо (272216)
      Быстрый просмотр
      PT710-P17 Уплотнительное кольцо (272216)
      Арт.: 1-1-5-0213
      207.36 ₽/шт
      В корзинуВ корзине
      PT710-P16 Пружина фиксатора (700003)
      Быстрый просмотр
      PT710-P16 Пружина фиксатора (700003)
      Арт.: 1-1-5-0206
      207.36 ₽/шт
      В корзинуВ корзине
      PT710-P15 Фиксатор (700002)
      Быстрый просмотр
      PT710-P15 Фиксатор (700002)
      Арт.: 1-1-5-0190
      587.52 ₽/шт
      В корзинуВ корзине
      PT710-P13 Пружина (700202)
      Быстрый просмотр
      PT710-P13 Пружина (700202)
      Арт.: 1-1-5-0183
      276.48 ₽/шт
      В корзинуВ корзине
      Показать еще
      1 2
      Walte 710.png
      Каталог
      • ПОРОХОВАЯ ТЕХНОЛОГИЯ
        • Монтажные пистолеты
        • Монтажные патроны
          • F-К монтажные патроны 6,8х11 мм в кассете
          • F-D монтажные патроны 6,8/18мм россыпью
          • F-C монтажные патроны 5,6х16мм россыпью
          • F-DK монтажные патроны 6,3х10 мм в диске
        • Гвозди для пороховых пистолетов
          • F-DN гвозди универсальные
          • F-DNC гвозди в кассете
          • F-DNP гвозди усиленные
          • F-DNW гвозди с шайбой
          • F-EDN гвозди по металлу
          • F-ENP гвозди для профнастила
          • F-M8 гвоздь-шпильки
          • F-NK гвозди с шайбой
          • F-PC дюбель-гвозди
        • Комплекты патроны+гвозди
      • ГАЗОВАЯ ТЕХНОЛОГИЯ
        • Газовые пистолеты
        • Газовые баллоны
        • Гвозди для газовых пистолетов
          • F-CN BULLETS MG
          • F-CNS усиленные EG
        • Крепежные и сопутствующие материалы
          • Демпферные втулки
          • Держатели кабеля
          • F-CM скобы однолапковые оцинкованные
          • F-CPE крепежные клипсы для монтажных пистолетов
          • F-CTE Площадка под стяжку для прямого монтажа
          • F-SW Шайба для монтажного пистолета
          • Монтажная лента
          • Средства для ухода
        • Комплекты гвозди+клипсы+баллон
        • Пристрелочные наборы
      • ОРИГИНАЛЬНАЯ ПРОДУКЦИЯ HILTI
        • Пороховые пистолеты HILTI
        • Аккумуляторные пистолеты HILTI
        • Газовые пистолеты HILTI
        • Гвозди для пороховых пистолетов HILTI
        • Монтажные патроны HILTI
        • Гвозди для аккумуляторных пистолетов HILTI
      • ПНЕВМАТИЧЕСКАЯ ТЕХНОЛОГИЯ
        • Пневмоинструменты
          • Гвоздезабивные инструменты 34 градус
          • Гвоздезабивные инструменты 21 градус
          • Гвоздезабивные инструменты для отделочных работ DA
          • Кровельные барабанные гвоздезабивные инструменты
          • Барабанные строительные пистолеты
          • Барабанные паллетные пистолеты
          • Инструменты для микрошпильки 23GA (0,6мм)
          • Штифтозабивные пистолеты
          • Скобозабивные пистолеты
          • Специальные инструменты
        • Крепеж
          • Гвозди реечные 34°
          • Гвозди отделочные DA, 34°
          • Штифт, Микрошпилька
          • Гвозди реечные в пластиковой кассете 21°
          • Гвозди барабанного типа
          • Скобы
        • Компрессоры
        • Аксессуары
      • МОНТАЖ УТЕПЛИТЕЛЯ
        • Монтажные пистолеты
        • Тарельчатые дюбели
          • F-IS тарельчатые дюбели без гвоздя
          • F-INS тарельчатые дюбели 20-100мм, по бетону и кирпичу
          • F-IN ECO тарельчатые дюбели 50-200мм, по бетону и кирпичу
          • F-IN TS тарельчатые дюбели 20-40мм, по бетону и кирпичу
          • F-IN TS тарельчатые дюбели 50-200мм, по бетону и кирпичу
          • F-INP TS тарельчатые дюбели для пороховых пистолетов
          • F-ING TS тарельчатые дюбели по газобетону
        • Заглушки
      • ЛЕНТОЧНЫЕ ШУРУПОВЕРТЫ
        • Шуруповерты
        • Саморезы в ленте
          • F-SMP саморезы черные, ГКЛ/профиль
          • F-SWP саморезы черные, ГКЛ/дерево
          • F-SWY саморезы желтый цинк, ГКЛ/дерево
          • F-SFP саморезы черные, ГВЛ/профиль
          • F-STY саморезы желтый цинк, дерев.конструкции
          • F-SXP саморезы черные, ГСП/профиль
      • АБРАЗИВЫ И АЛМАЗНЫЕ ДИСКИ
        • Алмазные диски
        • Абразивные круги
          • EGESAN Лепестковый торцевой круг
          • EGESAN ОТРЕЗНОЙ КРУГ ПО МЕТАЛЛУ (STEEL)
          • EGESAN ОТРЕЗНОЙ КРУГ ПО НЕРЖ.СТАЛИ (INOX)
          • EGESAN шлифовальный отрезной круг
        • Шлифовальная бумага
          • EGELI бумага шлифовальная
      • ЗАПЧАСТИ
        • Запчасти для газовых монтажных пистолетов
          • Запчасти для FGT 130IE
          • Запчасти для FGT-95
          • Запчасти для FGT 100IE
        • Запчасти для пороховых монтажных пистолетов
          • Запчасти для Walte PT-710
          • Запчасти для Walte PT-251
          • Запчасти для Walte PT-370
        • Номенклатура
      WhatsApp
      Напишите нам в
      WhatsApp
      Написать в WhatsApp
      Будьте в курсе наших акций и новостей
      Подписаться
      О компании
      Каталог
      Система FIXPISTOLS
      Оптовым клиентам
      Акции
      Контакты
      Дополнительная информация
      Условия доставки
      • Вконтакте
      • Telegram
      • YouTube
      • Viber
      • Viber
      • WhatsApp
      +7 (495) 120-50-90
      order@fixpistols.ru
      Подписаться на рассылку
      Политика конфиденциальности
      Пользовательское соглашение
      2026 © FIXPISTOLS - формирует партнерскую сеть
      Каталог
      По всему сайту
      По каталогу